C2000-S2-DLH31
C2000-S2-DLH31 是一款新型导轨式三相 / 三通道单相智能电能表,采用 4P 模数宽度设计,是集测量、监控、数字通信于一体的多功能监测仪表。
支持频段 410-525MHz。
它具备三相 / 三通道单机电参数测量、高精度电能计量、数字远程通信等功能,属于可靠、多功能、低功耗的监测装置;内置 LoRa 通信模块,同时支持 RS485(兼容 DLT 645-2007 协议与 Modbus 协议)通讯功能,可便捷实现无线远程通信。
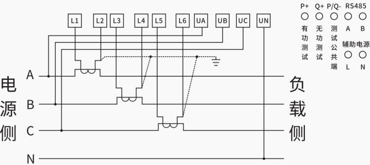
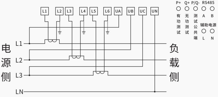
该产品主要应用于能源管理系统、节能监测系统、智能配电箱、配电柜监控计量、电器设备电参数状态监控等场合,供电方式支持辅助电源或自供电,需搭配外置闭口或开口电流互感器(CT),采用 4P 导轨安装方式,参考标准为 GB/T 17215.322-2008。
| 全端口过流、过压、反接、错接保护,避免因接错线导致设备损坏 |
| 可实时测量三相及分相的电压、电流、有功功率、无功功率等电参数 |
| 支持 LoRa 与 RS485 双传输模式,便于远程通信 |
| 可记录三相及三通道单相的正反向有功、无功电能,测量精度:有功:1级,无功:2级 |
| 自适应 DL/T645-2007 与 Modbus 协议 |
| 采用 4P 导轨式安装,操作实用方便 |
| 类别 | 参数项 | 具体规格 |
|---|---|---|
| 电气参数 | 测量电压 | 三相:3×220/380V;三通道单相:220V |
| 工作电压 | 220VAC | |
| 测量电流(互感器接入) | 1.5(10)A | |
| 通信参数 | RS485 通信接口 | 协议:DL/T645-2007 和 Modbus 自适应;波特率:1200-9600(默认 9600) |
| LoRa 通信参数 | 无线频段:410-525MHz;发射功率:≤20dBm;空旷无遮挡通信距离:2000 米 | |
| 精度参数 | 电参数测量精度 | 电参数:0.5%;有功电能:1 级;无功电能:2 级 |
| 环境参数 | 工作环境 | 工作温度:-25~55℃;存储温度:-40~70℃;相对湿度≤95%(无腐蚀气体、无凝露);海拔≤4000m |
| 物理参数 | 尺寸 / 安装方式 | 尺寸:102.4×72×66.5mm;安装方式:导轨安装 |

面板下方从左到右分别设有有功脉冲指示灯、无功脉冲指示灯、通信指示灯、LoRa 天线座、查询按键。
通信指示灯用于指示通信状态:当 LoRa 三相电能表与 LoRa 串口服务器通信,或电表 RS485 接口与外部设备通信时,指示灯会以 1 秒的间隔闪烁。



详见技术参数内容。




在线客服 QQ 交谈
查询热线 0755-88865168
天猫旗舰店
京东旗舰店
微信公众号
在线留言